- 地址乐清市城东街道城东产业功能
- 区永和二路18号
- 电话0577-62538206
- 传真0577-62538208
- 邮箱ngdz_sales@126.com
|
|
技术特性 |
||||||||
| 使用温度范围 | -25~70℃ | 绝缘电阻 | ≥100mΩ 250V DC | ||||||
| 相对湿度 | 90~95% | 耐压 | 250V AC | ||||||
| 额定负荷 | 12VDC 0.05A | 接触电阻 | ≤50mΩ | ||||||
| 行程 | 0.15~0.45mm | 耐焊接热温度 | 255℃ MAX | ||||||
|
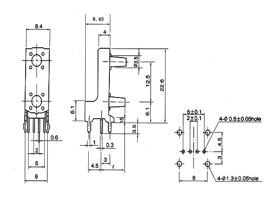
外形图 |
|||||||||
|
|
|||||||||
| 高度 |
3.15/3.85/5.85/8.35/11.85/15.85 |
||||||||
| 按力 | 100±50gf | 160±50gf | 260±70gf | ||||||
| 回复力 | 10gf Min | 50gf Min | 50gf Min | ||||||
| 寿命 | 10*104 次 | 10*104 次 | 10*104 次 | ||||||
| 按键颜色 | 黑色 | 黑色/棕色 | 黑色/棕色/红色 | ||||||
| 环保指令 | RoHS(欧盟) | ||||||||



